Десорбциялық электролиттік жүйе дегеніміз не және ол қазіргі заманғы алтын алу үшін неліктен маңызды

TheДесорбциялық электролиттік жүйеқазіргі заманғы алтын алудың маңызды технологиясы, әсіресе көміртегі-көміртекті (CIP) және сілтісіздендірудегі көміртегі (CIL) процестерінде. Бұл блог жүйенің қалай жұмыс істейтінін, оның құрамдас бөліктерін, артықшылықтарын және неге ол алтынды тиімді өндіруде стандартқа айналғанын зерттейді. Біз сондай-ақ компанияларға қалай ұнайтынын көрсетемізEPICосы саладағы инновацияларды алға жылжытуда. Соңында сіз бұл жүйе өнімділікті қалай арттыратыны, шығындарды азайтатыны және қалпына келтіру жылдамдығын жақсартатыны туралы жан-жақты түсінікке ие боласыз.

Desorption Electrolytic System

Мазмұны


Десорбциялық электролиттік жүйе дегеніміз не

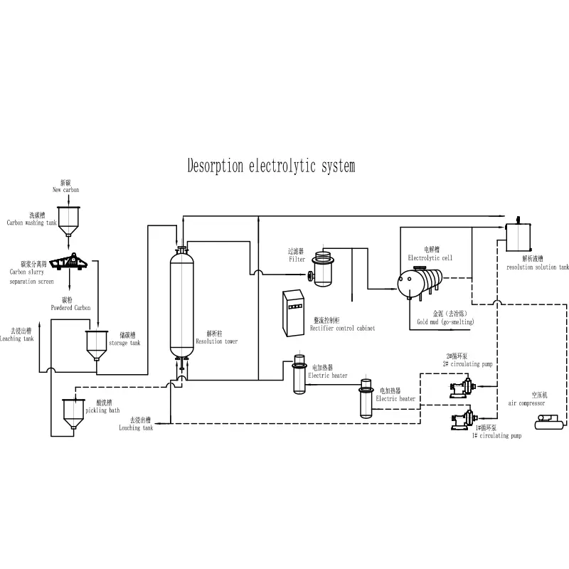
A Десорбциялық электролиттік жүйеактивтендірілген көмірден алтын алу үшін қолданылатын жетілдірілген алтын алу жүйесі. Ол кен өндіру жұмыстарында кеңінен қолданылады, онда алтын сілтісіздену процесінде көміртек бөлшектеріне сіңеді.

  • Десорбция: жоғары температуралық және жоғары қысымды ерітінділер арқылы көміртегіден алтынды кетіреді
  • Электролиз: ерітіндідегі алтынды катодтарға қайтарады
  • Жабық жүйе: тиімділікті және ең аз шығынды қамтамасыз етеді

Бұл жүйе қалпына келтіру тиімділігін арттыру және операциялық шығындарды азайту үшін өте маңызды, бұл оны заманауи алтын өңдеу зауыттарының негізгі құрамдас бөлігі етеді.


Десорбциялық электролиттік жүйе қалай жұмыс істейді

Жұмыс принципі АДесорбциялық электролиттік жүйеекі негізгі кезеңді қамтиды:

  1. Десорбция кезеңі:Алтынмен толтырылған көміртекті ыстық сілтілі цианид ерітіндісімен өңдейді, алтын иондарын шығарады.
  2. Электролиз кезеңі:Алтынға бай ерітінді электролиттік ұяшық арқылы өтеді, онда алтын болат жүн катодтарына түседі.

Процесс жоғары тиімділікті қамтамасыз етеді және үздіксіз жұмыс істеуге мүмкіндік береді, сондықтан компаниялардың жүйелері ұнайдыEPICөнеркәсіптік қолдануда кеңінен қолданылады.


Жүйенің негізгі компоненттері

Құрамдас Функция
Десорбция бағанасы Белсендірілген көмірді ұстайды және алтынды кетіруді жеңілдетеді
Электролиттік жасуша Электролиз арқылы алтынды қалпына келтіреді
Жылу алмастырғыш Қажетті температураны сақтайды
Сүзгі жүйесі Ерітіндідегі қоспаларды жояды
Басқару жүйесі Жұмысты автоматтандырады және параметрлерді бақылайды

Әрбір құрамдас жүйенің тиімді және тұрақты жұмыс істеуін қамтамасыз етуде маңызды рөл атқарады.


Техникалық артықшылықтар мен мүмкіндіктер

  • Алтын алудың жоғары деңгейі (98% дейін)
  • Төмен энергия тұтыну
  • Еңбек шығындарын азайту үшін автоматтандырылған жұмыс
  • Кеңістік тиімділігі үшін ықшам дизайн
  • Ең аз шығарындылары бар экологиялық таза

Өндірушілер ұнайдыEPICжақсырақ өнімділік пен сенімділікті қамтамасыз етіп, дамып келе жатқан салалық талаптарды қанағаттандыру үшін осы жүйелерді үздіксіз оңтайландыру.


Алтын өңдеудегі қолданбалар

TheДесорбциялық электролиттік жүйекеңінен қолданылады:

  • Алтын өндіруші зауыттар
  • CIP (Carbon-in-Pulp) операциялары
  • CIL (Carbon-in-Leach) процестері
  • Алтын қалдықтарын алу

Оның әмбебаптығы оны кең ауқымды өнеркәсіптік тау-кен жұмыстарына да, тиімділікті арттыруға ұмтылатын кішігірім операцияларға да қолайлы етеді.


Дәстүрлі әдістермен салыстыру

Ерекшелік Десорбциялық электролиттік жүйе Дәстүрлі әдістер
Тиімділік Жоғары Орташа
Автоматтандыру Толық автоматтандырылған Қолмен немесе жартылай автоматтандырылған
Құны Төмен ұзақ мерзімді шығындар Жоғары операциялық шығындар
Қоршаған ортаға әсері Төмен Жоғарырақ

Қазіргі жүйе алтын алудың дәстүрлі әдістеріне қарағанда айтарлықтай артықшылықтар беретіні анық.


Сатып алушыларға арналған таңдау нұсқаулығы

Таңдау кезінде аДесорбциялық электролиттік жүйе, келесі факторларды ескеріңіз:

  • Өңдеу сыйымдылығы
  • Автоматтандыру деңгейі
  • Энергия тиімділігі
  • Өндірушінің беделі (мысалы, EPIC)
  • Сатудан кейінгі қолдау

Тиісті жүйені таңдау ұзақ мерзімді операциялық табысты және инвестицияның максималды кірісін қамтамасыз етеді.


Техникалық қызмет көрсету және пайдалану бойынша кеңестер

  • Құбырлар мен клапандарды жүйелі түрде тексеріңіз
  • Температура мен қысым деңгейін бақылаңыз
  • Электролиттік жасушаларды мезгіл-мезгіл тазалаңыз
  • Тозған құрамдастарды дереу ауыстырыңыз
  • Өндірушінің нұсқауларын қатаң орындаңыз

Тиісті техникалық қызмет көрсету жүйенің қызмет ету мерзімін едәуір ұзартады және тұрақты өнімділікті қамтамасыз етеді.


Жиі қойылатын сұрақтар

1. Десорбциялық электролиттік жүйенің негізгі мақсаты қандай?

Оның негізгі мақсаты - белсендірілген көмірден алтынды тиімді өндіру және қалпына келтіру.

2. Жүйе қаншалықты тиімді?

Көптеген жүйелер жұмыс жағдайларына байланысты 95%-дан астам алтын алу жылдамдығына қол жеткізеді.

3. Жүйе экологиялық таза ма?

Иә, заманауи жүйелер шығарындыларды азайтуға және химиялық қалдықтарды азайтуға арналған.

4. Оны теңшеуге болады ма?

Иә, EPIC сияқты компаниялар өңдеу талаптарына негізделген теңшелетін шешімдерді ұсынады.

5. Бұл жүйе қандай салаларда қолданылады?

Ең алдымен алтын өндіру өнеркәсібі, сонымен қатар бағалы металдарды қалпына келтіру қолданбаларында.


Қорытынды

TheДесорбциялық электролиттік жүйетеңдесі жоқ тиімділікті, сенімділікті және қоршаған ортаны қорғау өнімділігін ұсына отырып, алтын алу технологиясындағы серпіліс болып табылады. сияқты сала жетекшілерінің үздіксіз жетістіктеріменEPIC, бұл жүйе қазіргі тау-кен жұмыстары үшін барған сайын маңызды болып келеді. Егер сіз алтын өндіру процесін оңтайландыруды және табыстылықты жақсартуды іздесеңіз, жоғары сапалы жүйеге инвестициялау - ақылды таңдау.Бізбен хабарласыңықажеттіліктеріңізге арналған шешімдерді қалай ұсына алатынымыз туралы көбірек білу үшін бүгін.

Сұрау жіберу

X
Біз cookie файлдарын сізге жақсырақ шолу тәжірибесін ұсыну, сайт трафигін талдау және мазмұнды жекелендіру үшін пайдаланамыз. Осы сайтты пайдалану арқылы сіз cookie файлдарын пайдалануымызға келісесіз. Құпиялылық саясаты