Десорбциялық электролиттік жүйе
  • Десорбциялық электролиттік жүйе Десорбциялық электролиттік жүйе

Десорбциялық электролиттік жүйе

Кәсіби өндірушінің бірі ретінде эпос сізге жоғары сапалы электролиттік жүйені ұсынғысы келеді. Біз сізге сатудан кейінгі ең жақсы қызмет пен уақтылы жеткіземіз.

Сұрау жіберу

Өнім Сипаттамасы

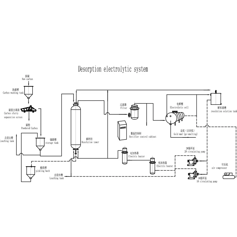
Өндіруші өндіруші бола отырып, эпос сізге Top-Notch electorction электролиттік жүйесін ұсынуға бағытталған. Біз сізге сатудан кейінгі ең жақсы қолдауды және жедел жеткізілімге уәде береміз. ANION-дің дессорбциялық дессорбциялық жүйесімен оңай қосылып, AU (CN) 2 »ауыстыру, алтынның десорбциясын іске асырыңыз. Алтын көміртекті десорбциялау арқылы алынған сұйықтық иондану арқылы алынған сұйықтық. Жабдықтардың сипаттамасы

1, жоғары температура, жоғары қысымды, цианид, десорбциялық автоматты бақылау, жоғары, жоғары, сырқаты бар, тез, тез

Сипаттамасы: 

A.Тың тиімділігі: алтын құйылған көміртекті 3000 г / тқа жеткенде, десорбция мөлшерлемесі 96% -дан асады, ал кедей көміртекті бағаны салыстырғанда 3-4 есе, әдеттегі десорбция электролиттері

Құрылғы:

В.ФАС: Десорбцияның электролиз температурасы 150 ℃ (30-55 ₸ қарағанда 30-55 ℃ жоғары) ЖҰМЫС ЖҰМЫС ЖҰМЫСЫЗ 0,5 МПА-ға дейін (0,2-0.5.5MPA жоғары), сондықтан десорбцияның электролиз уақыты өте тез, әдетте 12 сағат 

3 рет: C. Тұтыну: десорбциялау электролитикалық температурасы, жылу берілмейді, жылу берілмейді, сондықтан қуат тұтынудың жалпы көлемі кәдімгі жүйенің жалпы көлемі 1 / 2-1 / 4 құрайды.

2

3, жоғары дәрежелі алтын балшық, электролизді кері қайтарудың қажеті жоқ, оңай экстракция;

4, Автоматты басқару: сұйықтықты басқару жүйесін, температураны басқару жүйесін және автоматты басқару жүйесін арнайы орнатыңыз;

5, Қауіпсіздік: қауіпсіздікті үш есе қорғау шараларымен, атап айтқанда жүйенің өзі ақылды, авто-қысымды шектейтін қысымды шектейтін, сақтандырудың клапаны.

Hot Tags: Десорбциялық электролиттік жүйе
Сұрау жіберу
Сұрауыңызды төмендегі формада қалдырыңыз. Біз сізге 24 сағат ішінде жауап береміз.
X
Біз cookie файлдарын сізге жақсырақ шолу тәжірибесін ұсыну, сайт трафигін талдау және мазмұнды жекелендіру үшін пайдаланамыз. Осы сайтты пайдалану арқылы сіз cookie файлдарын пайдалануымызға келісесіз. Құпиялылық саясаты