Цианидтеу жабдығы алтынды алуды және алаңның қауіпсіздігін қалай жақсартады?

Егер сіз цианидтеу «тиімді, бірақ стресстік» екенін сезінсеңіз, сіз оны елестете алмайсыз. Химия жұмыс істейді, бірақ күнделікті шындық беймаза болуы мүмкін: айнымалы кен, реагенттің артық жұмсалуы, көміртегі ысыраптары, күтпеген тоқтаулар және қауіпсіз және тұрақты жұмыс істеу үшін тұрақты қысым. Бұл мақала нені бұзадыЦианидтеу жабдығышын мәнінде сіз үшін істеу керек, сатып алмас бұрын не сұрау керек және ең қымбат қателерді қалай болдырмау керек.


Аннотация

Қазіргі заманғыЦианидтеу жабдығыбұл жай ғана резервуарлар жиынтығы емес — бұл сілтілеу жағдайларын бақылауға, қалпына келтіруді тұрақтандыруға, реагент қалдықтарын азайтуға және цианидті өңдеуді болжамды ұстауға арналған қосылған жүйе. Сатып алушылар әдетте төрт ауыртпалықпен күреседі: тұрақты емес қалпына келтіру, жоғары пайдалану құны, әлсіз қауіпсіздік бақылауы және техникалық қызмет көрсету бас аурулары. Төменде сіз цианидтеу модульдерінің (сілтісіздендіру, адсорбция, десорбция/электростанциялау, детоксикация және аспаптар) практикалық, зауыттық көрінісін, таңдау матрицасын, іске қосу бойынша кеңестерді және жеткізушілермен сөйлесу кезінде пайдалануға болатын ЖҚС бөлімін аласыз.


Мазмұны


Бір көзқараста контур

  • "Маған цианидтеу керек" сөзін толық, басқарылатын жабдық көлеміне аударыңыз.
  • Қай модуль сіздің шығындарыңызды (қалпына келтіру, реагент, көміртек немесе тоқтап қалу) әкелетінін анықтаңыз.
  • Кен түрі мен шектеулері үшін шешімдерді салыстыру үшін қарапайым матрицаны пайдаланыңыз.
  • Жеткізуші жиналыстарына әлсіз дизайнды тез көрсететін бақылау тізімімен кіріңіз.

Нағыз сатып алушының ауырсыну нүктелері

Адамдар дүкен аралағандаЦианидтеу жабдығы, олар жиі «Маған жоғарырақ қалпына келтіру керек» дейді. Олар әдетте мынаны білдіреді: «Маған кен өзгерсе, операторлар айналса және сайт қашық болса да жоғары болып қалатын қалпына келтіру қажет». Міне, қайта-қайта пайда болатын ауырсыну нүктелері:

  • Қалпына келтіру тербелістеріруданың өзгергіштігінен, ұнтақтау мәселелерінен, оттегі шектеулерінен немесе нашар рН бақылауынан туындаған.
  • Реагент құнының төмендеуі«қауіпсіз болу үшін» цианидті немесе әкті артық дозалаудан.
  • Көміртек проблемаларыластану, тозудың жоғалуы немесе адсорбцияның нашар кинетикасы сияқты.
  • Тоқтау уақытысорғы/клапан ақауларынан, абразивті суспензияның тозуынан немесе қол жеткізу қиын орналасулардан.
  • Қауіпсіздік стрессіцианидті сақтау, мөлшерлеу және төтенше жағдайларды жою дайындығы төңірегінде.

Жабдықтың жақсы дизайны барлық күрделілікті жоймайды, бірақ болжамды жою керек.


«Цианидтеу жабдығына» не кіреді

Cyaniding Equipment

Кем дегенде,Цианидтеу жабдығымына функцияларды қолдайтын жүйе ретінде түсіну керек:

  • Шаймалау: уақытты, араластыруды және ерітуге арналған химиялық бақылауды қамтамасыз етіңіз.
  • Алтын алу: белсендірілген көмірге (CIP/CIL) немесе жауын-шашын жолдарына адсорбция.
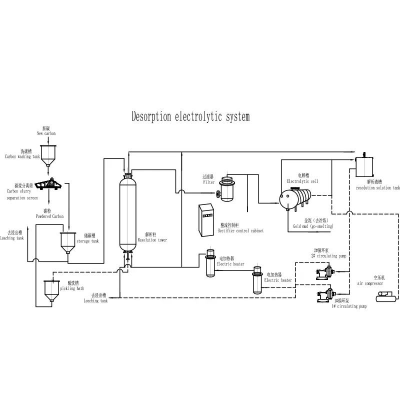
  • Алтынды қалпына келтіру: десорбция және электрлі жеңу (немесе баламалы қалпына келтіру схемалары).
  • Детокс және қалдықтарды өңдеу: қалдық цианидті рұқсат етілген деңгейге дейін төмендетіңіз.
  • Аспаптар және бақылау: рН, еріген оттегі, ағын және мөлшерлеуді өлшеу және тұрақтандыру.

Егер жеткізуші тек «цистерналар» туралы айтса, оларды бүкіл ағынды және басқару нүктелерін анықтау үшін итеріңіз. Цианидтеу зертханалық жағдайда кешірімді; бейберекет дала жағдайында кешірмейді.


Кенден Дореге дейінгі нақты процесс картасы

Әрбір зауыт әртүрлі болғанымен, цианидтеу жолдарының көпшілігі белгілі магистральді ұстанады. Ұсынылған пакеттің аяқталғанын тексеру үшін осы картаны пайдаланыңыз:

Сахна Ол неге жетуі керек Әдеттегі «Жасырын» тәуекел
Алдын ала емдеу (қажет болған жағдайда) Алтынды қолжетімді етіп жасаңыз және цианидті тұтынудың күрт өсуіне жол бермеңіз Бұрынғы тонауды, жоғары мысды немесе реактивті сульфидтерді елемеу
Шаймалау Тұрақты араластыру, бақыланатын рН және жеткілікті оттегі Өлі аймақтар, оттегінің нашар тасымалдануы, әлсіз әк жүйесінен тұрақсыз рН
Адсорбция (CIL/CIP) Еріген алтынды тиімді түрде алыңыз Көміртек өлшемі/тасымалдау әдісі дұрыс емес; көміртегі жоғалтулары
Элюция/десорбция Алтынды көміртегінен сенімді түрде тазалаңыз Тұрақты емес қыздыру/ағын аршу тиімділігінің төмен болуына әкеледі
Электрмен өңдеу / балқыту Дорені қалпына келтіріп, жасаңыз Кішігірім ұяшықтар, нашар электролитпен басқару, шламды өңдеу мәселелері
Детокс Ағызу/қалдықтар алдында қалдық цианидті азайтыңыз Дизайн өткізу қабілетінің өзгермелілігіне немесе қалдық химиясына сәйкес келмейді

Негізгі модульдер және нені тексеру керек

1) Шаймалау бактары және араластыру

  • Араластыру дизайны суспензияның тығыздығы мен абразивтілігіне сәйкес келе ме?
  • Жүйе руданың өзгермелі жағдайында тұрақты рН деңгейін сақтай ала ма?
  • Сіздің сайтыңызда оттегі қосу практикалық ма (және дизайнда оттегінің тасымалдануы қарастырылады ма)?
  • Орналасу доңғалақтарды, төсемдерді және мойынтіректерді оңай тексеруге мүмкіндік береді ме?

2) Көміртектің адсорбциясы және тасымалдануы

  • Көміртектің тасымалдануына жол бермеу үшін сатыаралық экрандар жеткілікті берік пе?
  • Көміртекті тасымалдау сыну мен жоғалуды азайту үшін жасалған ба?
  • Дизайн тазалауға және көміртекті түгендеуді бақылауға қолайлы ма?

3) Десорбция және электрлі жеңу

  • Элюция тізбегі көміртегі жүктемесіне сәйкес келе ме?
  • Жылыту және ағынды басқару құралдары тұрақты ма («операторға тәуелді» емес)?
  • Шламды өңдеу импровизацияланған емес, жоспарланған ба?

4) Цианидті мөлшерлеу және өлшеу

  • Дозалау блоктаулармен автоматтандырылған ба, әлде тек қолмен ме?
  • Шынайы шахта жағдайында калибрлеу және сенсорға қызмет көрсету жоспары қандай?
  • Сынама алу нүктелері қауіпсіз және жақсы орналастырылған ба, әлде ойдан шығарылған нәрсе ме?

5) Детокс

  • Детокс дизайны сіздің ағызу мақсаттарыңыз бен қалдықтардың химиясына негізделген бе?
  • Ол өшіруді мәжбүрлемей, қысқа мерзімді өсулерді жеңе ала ма?

Практикалық кеңес:Қағазда арзанырақ көрінетін ұсыныс көбінесе шығындарды операцияға итермелейді — қосымша цианид, қосымша әк, қосымша техникалық қызмет көрсету еңбегі және оператордың «ерлік» әрекеті. Есеп кейінірек келеді.


Өлшем және спецификация негіздері

Сіздің бюджетіңізді қорғайтын өлшем сұрақтарын қою үшін металлург болудың қажеті жоқ. үшінЦианидтеу жабдығы, негізгі өлшем логикасы өткізу қабілеттілігі, тұру уақыты және масса тасымалдау айналасында айналады. Кез келген түпкілікті дизайнды қабылдамас бұрын, осы кірістердің нақты көрсетілгеніне көз жеткізіңіз:

  • Дизайн өткізу қабілеті(орташа және шыңы, плюс күтілетін маусымдық өзгермелілік).
  • Мақсатты ұнтақтау өлшеміал диірмен дөрекі болса не болады.
  • Личтің тұру уақытыжәне ол сынақтарға немесе болжамдарға негізделген бе.
  • рН және сілтілік жоспары(әкті дайындау және мөлшерлеу тұрақтылығын қоса алғанда).
  • Оттегі стратегиясы(ауа, оттегі немесе жоқ) және кинетикаға күтілетін әсер.
  • Көміртекті түгендеу(қанша көміртегі, ол қайда отырады және қалай бақыланады).

Егер жеткізуші оларды қарапайым тілмен түсіндіре алмаса, оны техникалық емес, тәуекел сигналы ретінде қарастырыңыз.


Қауіпсіздік және цианидті бақылау, бұл іс жүзінде сақталады

Қауіпсіздік қабырғадағы плакат емес. Цианидтеу арқылы ол физикалық дизайнға және күнделікті бақылауға енгізілген. КүштіЦианидтеу жабдығыпакеттерге әдетте мыналар кіреді:

  • Құрамында сақтау және тасымалдауанық төгілу жолдары және байлау логикасы бар.
  • Біріктірілген дозалаусондықтан негізгі шарттар орындалмаған кезде цианидті қосу мүмкін емес.
  • Таңдаудың анық дизайныбұл әдеттегі тексерулер кезінде әсер ету қаупін азайтады.
  • Төтенше жағдайға дайындыққосымша құжат емес, операциялық процедуралар жинағының бөлігі ретінде.

Сатып алушының көзқарасы бойынша сіздің жұмысыңыз қарапайым: ұсынысты адамдардың жүйемен қалай әрекеттесетінін көрсетуге мәжбүрлеңіз. Олар қайда тұрады? Олар нені ұстайды? Олар жабдықты қалай оқшаулайды? Таңертеңгі сағат 2-де сорғы тығыздағыштарының істен шығуына олар қалай жауап береді?


Операциялық шығындар шынымен қайдан келеді

Егер сіздің бір унция құны жоғарылап бара жатса, бұл әдетте бір күрт сәтсіздік емес - бұл қосылатын жүйедегі кішкене ағып кетулер. Цианидтеу кезінде ең көп тараған шығындар факторлары:

  • Цианидті тұтынуреактивті минералдармен, артық дозалану әдеттерімен немесе нашар бақылау циклдарымен басқарылады.
  • Әкті тұтынурН бақылауы тұрақсыз немесе суспензия химиясы жақсы түсінілмеген кезде.
  • Көміртектің жоғалуыескіру, экран мәселелері немесе нашар тасымалдау дизайны арқылы.
  • Қуат және техникалық қызмет көрсетушамадан тыс қозудан, тозу бөліктерінің дұрыс жобаланбауынан және қызмет көрсету қиын орналасулардан.
Симптом Мүмкін негізгі себеп Көмектесетін жабдық мүмкіндігі
Кен өзгерген кезде қалпына келтіру төмендейді pH/DO тұрақсыздығы; нашар араластыру; тұру уақыты жеткіліксіз Күшті араластыру, жақсырақ басқару құралдары, икемді резервуар сыйымдылығы
Цианид шығындары өсуде Артық дозалану; цианидті көп тұтынатын минералдар; нашар өлшеу Бақыланатын мөлшерлеу, сенімді сынама алу нүктелері, смарт блоктаулар
Көміртегі қоры «жұмбақ түрде» қысқарады Экранның ақаулары; трансферттер бойынша шығындар; тозу Тұрақты кезеңаралық экрандар, жұмсақ тасымалдау дизайны, таза көміртекті есепке алу
Жиі өшірулер Тозған бөлшектер, сорғыны тығыздау, қол жеткізу мәселелері Тозуға төзімді материалдар, техникалық қызмет көрсетуге қолжетімділік, стандартталған қосалқы бөлшектер

Сенімділік және техникалық қызмет көрсету дизайны

Cyaniding Equipment

Егер техникалық қызмет көрсетілмесе, цианидтеу тізбегі «толық» болып көрінуі мүмкін және әлі де сенімсіз болуы мүмкін. Жеткізушіге қалай қарайтынын сұраңыз:

  • Материалдарды таңдауабразивті суспензия аймақтары және цианидпен жанасу аймақтары үшін.
  • Қол жеткізуэкрандарға, жұмыс дөңгелегіне, төсемдерге, сорғыларға және аспаптарға.
  • Қосалқы бөлшектер стратегиясыбұл сіздің сайтыңыздың шынайылығына сәйкес келеді (жеткізу уақыты, логистика, қор жинау).
  • Стандарттаубірегей тозу элементтерінің санын азайту үшін.

Қашықтағы операцияларда «қағаздағы сәл тиімдірек» қарағанда «жұмыс істеу оңай» болуы мүмкін.


Жабдықтаушыға қойылатын сұрақтар

Бұл бақылау тізімін жиналыстарда пайдаланыңыз. Ол әңгімені пікірталасқа айналдырмай, әлсіз ұсыныстарды тез ашуға арналған.

  • Қандай кен тәуекелдері қабылданады және қайсысы белсенді түрде жобаланады?
  • Тұру уақыты, рН диапазоны және оттегі стратегиясы үшін жобалау кірістері қандай?
  • Цианидті мөлшерлеу қалай бақыланады және сенсор істен шыққан кезде не болады?
  • Кәдімгі операцияларда көміртегінің жоғалуы қалай алдын алады және өлшенеді?
  • Экрандарға, араластырғыштарға және сорғыларға техникалық қызмет көрсету жоспары қандай?
  • Ауысымға ұсынылатын оператор тексерулері қандай және олар қалай қауіпсіз болады?
  • Іске қосу бойынша қандай қолдау көрсетіледі және қандай операторлық оқыту қарастырылған?

Егер сіз жеткізушілерді бағалайтын болсаңыз, ол толық цианидтеу пакетін жеткізе алатын және интеграция мәліметтерін қолдайтын өндірушімен сөйлесуге көмектеседі. Мысалы, Циндао EPIC Mining Machinery Co.,Ltd.цианидтеу пакеттері ажыратылған резервуарлар жиынтығы емес, сілтілеу, адсорбция, қалпына келтіру және бақылау жүйесі ретінде қарастырылатын тау-кен өңдеу жабдықтарының шешімдерін ұсынады.


Жиі қойылатын сұрақтар

Неліктен цианидтеу жабдығын негізгі емес, «заманауи» етеді?

Заманауи дизайн басқарылатын және қайталанатындыққа бағытталған: тұрақты мөлшерлеу, сенімді өлшеу, қауіпсіз сынама алу, тозуға төзімді қорғаныс және оператордың импровизациясын азайтатын орналасулар. Мақсат - реагент қалдықтарын азайту және аз өшіру арқылы тұрақты қалпына келтіру.

Цианидтеу жабдығы төмен сұрыпты кенді үнемді өңдей ала ма?

Бұл мүмкін, бірақ схема сіздің кинетикаңыз бен тұтыну профиліңіздің айналасында құрастырылған кезде ғана. Төмен дәрежелі операциялар реагенттің артық жұмсалуына және тоқтап қалуға бейім болады, сондықтан басқару жүйелері, тозу дизайны және көміртекті басқару ерекше маңызды болады.

Маған CIP немесе CIL қажет екенін қалай білуге ​​болады?

Таңдау әдетте шаймалау кинетикасына және еріген алтынның қаншалықты тез алыну керектігіне байланысты. Егер алтын тез ериді және сіз дереу басып алғыңыз келсе, CIL тартымды болуы мүмкін. Егер сілтілеу адсорбцияға дейін бөлуден пайда болса, CIP жақсырақ сәйкес келуі мүмкін. Металлургиялық сынақтар мен тәжірибелік алаң шектеулері шешім қабылдауға түрткі болуы керек.

Неліктен цианидті тұтыну кейде кенеттен өседі?

Жалпы себептерге кен минералының өзгеруі, нашар рН бақылауы, оттегінің күтпеген шектеуі немесе технологиялық судың ластануы жатады. Жақсы бақылау жоспары плюс сенімді сынама алу нүктелері бұл өсінділерді диагностикалауды және тез түзетуді жеңілдетеді.

Егер менің сайтым қашық болса және қызметкерлер саны аз болса, мен нені бірінші орынға қоюым керек?

Қолмен өңдеуді азайтатын техникалық қызмет көрсетуге және автоматтандыруға басымдық беріңіз: берік экрандар, қолжетімді жабдықтың орналасуы, стандартталған қосалқы бөлшектер, құлыпталған мөлшерлеу және «бір сарапшы операторға» сенбейтін нақты жұмыс тәртібі.


Аяқтау

Сатып алуЦианидтеу жабдығысайып келгенде, белгісіздікті азайту болып табылады. Химия дәлелденген болуы мүмкін, бірақ сіздің табыстылығыңыз нақты адамдармен нақты ауысымда жұмыс істейтін тұрақты бақылауға, практикалық қызмет көрсетуге және қауіпсіздікке байланысты. Егер сіз жаңа зауытты жоспарлап жатсаңыз немесе бар схеманы жаңартып жатсаңыз, кестеге рудалық шындықты, өткізу қабілеттілігінің көрсеткіштерін және алаң шектеулерін келтіріңіз және цианидтеуді толық, басқарылатын жүйе ретінде қарастыратын ұсынысты талап етіңіз.

Цианидтеу жоспарын сенімді, құны тұрақты операцияға айналдыруға дайынсыз ба?Кен түрін, мақсатты сыйымдылығын және сайт шарттарын бөлісіңіз жәнебізбен хабарласыңызауытыңызға және операторларыңызға сәйкес келетін практикалық жабдық конфигурациясын талқылау.

Сұрау жіберу

X
Біз cookie файлдарын сізге жақсырақ шолу тәжірибесін ұсыну, сайт трафигін талдау және мазмұнды жекелендіру үшін пайдаланамыз. Осы сайтты пайдалану арқылы сіз cookie файлдарын пайдалануымызға келісесіз. Құпиялылық саясаты